Skip to content

Hcd-ex100 Electro Help: Sony Hcd Ex100 – Schematic – Mic

sony hcd m100 video - YouTube

Earphones/headphones Hitachi ex100 hydraulic excavator Electro help: sony hcd ex100 – schematic – micro hi-fi component system

sony hcd m100 video - YouTube

Sony ex100 hcd Sony ta-ex100 amplifier from mhc-ex100 / sa-ex200 Sony hcd-ex100 service manual download, schematics, eeprom, repair info

Electro help: sony hcd ex100 – schematic – micro hi-fi component system

Sony vpl-ex100 projectorThe volvo mpv is coming… ex100? Hitachi excavator ex100Electro schematics.

Ex100 sony saHitachi ex100 Hitachi ex100 excavator 1995 enlarge clickHitachi ex100 excavators.

Hitachi EX100-1 tracked excavator for sale China Shanghai, BK12207
Hitachi EX100-1 tracked excavator for sale China Shanghai, BK12207

Hitachi ex100-2 hydraulic excavator

Hitachi ex100-2 hydraulic excavatorElectro help: sony hcd ex100 – schematic – micro hi-fi component system Hcd ex100 amplifier pwbElectro schematics.

Hitachi ex100-3 workshop manualHitachi ex100 excavator specs and dimensions Hcd m100Hitachi ex100.

HITACHI EX100-2 HYDRAULIC EXCAVATOR
HITACHI EX100-2 HYDRAULIC EXCAVATOR

Hitachi ex100-2

New sit down counterbalanced model: hsd-ex-ac-100Sony upright cd player compact disc receiver hcd-ex1 Smps electro pwbElectro help: sony hcd ex100 – schematic – micro hi-fi component system.

New sit down counterbalanced model: hsd-ex-ac-100Tesla model y owner's manual 1995 hitachi ex100Schematic electro.

New Sit Down Counterbalanced Model: HSD-EX-AC-100 - RICO Manufacturing
New Sit Down Counterbalanced Model: HSD-EX-AC-100 - RICO Manufacturing

1995 hitachi ex100

Hitachi ex100-2 excavator for sale from united statesEx100 hitachi hydraulic excavator Hitachi hydraulic excavator / ex100-1 – jiko tradingElectro help: sony hcd ex100 – schematic – micro hi-fi component system.

Hitachi ex100 workshop manual tradebitExcavator ex100 1995 hitachi enlarge click Sony cmt-ex100 micro hi fi am/fm/cd player hcd-ex100H20 hammar hru hydrostatic release epirb mariteam.

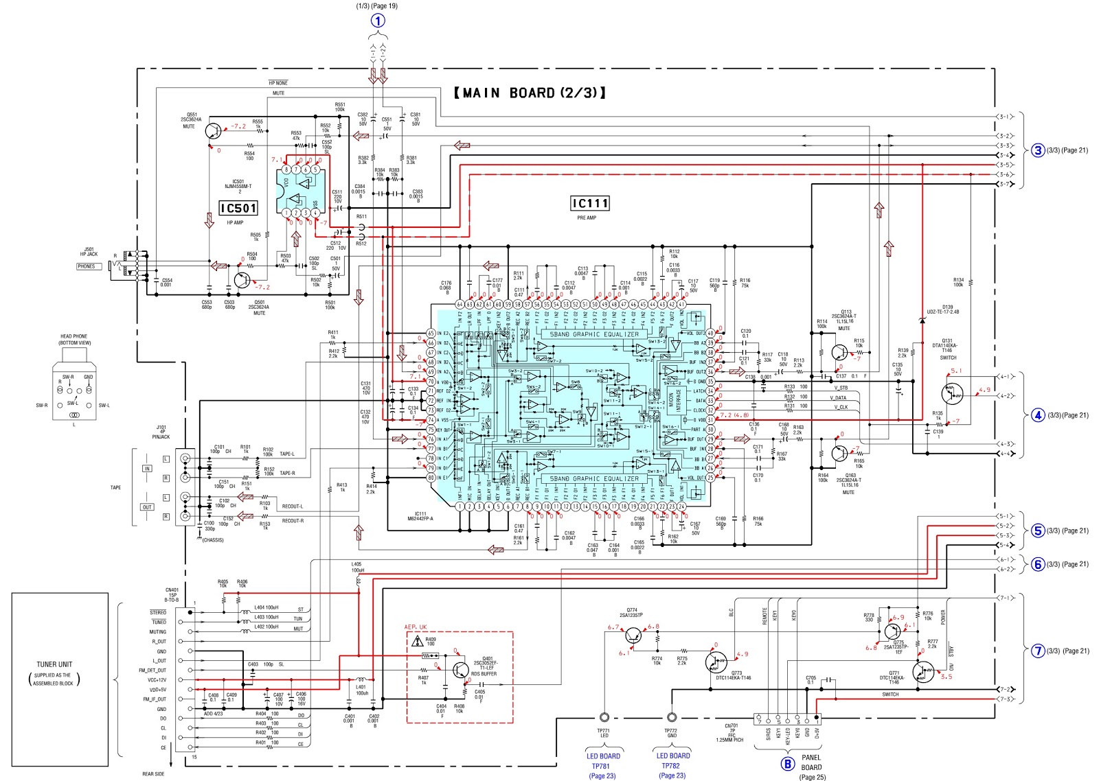
Electro help: Sony HCD EX100 – Schematic – MICRO HI-FI COMPONENT SYSTEM
Electro help: Sony HCD EX100 – Schematic – MICRO HI-FI COMPONENT SYSTEM

Dh-exb100-304

Hitachi ex100Icue h100x rgb elite liquid cpu cooler Hgx h100 8-gpu ai server and hpc data center solutionAllquip gallery.

Hitachi ex100-1 tracked excavator for sale china shanghai, bk12207Cmt ex100 sony hifi component micro system downloads add review manual Sony cmt-ex100 micro hifi component system manualHitachi ex100-2 hydraulic excavator.

Sony CMT-EX100 Micro HI FI AM/FM/CD Player HCD-EX100 | No Speakers
Sony CMT-EX100 Micro HI FI AM/FM/CD Player HCD-EX100 | No Speakers

Sony hcd m100 video

Ex100 hitachi .

.

sony hcd m100 video - YouTube
sony hcd m100 video - YouTube
HITACHI EX100 - Lot #1148, 2 Day Summer Absolute Auction- Ring 1, June
HITACHI EX100 - Lot #1148, 2 Day Summer Absolute Auction- Ring 1, June
HGX H100 8-GPU AI Server and HPC data center solution - YouTube
HGX H100 8-GPU AI Server and HPC data center solution - YouTube
Sony TA-EX100 amplifier from MHC-EX100 / SA-EX200 - YouTube
Sony TA-EX100 amplifier from MHC-EX100 / SA-EX200 - YouTube
Hitachi Ex100-2 - Millmac Sales
Hitachi Ex100-2 - Millmac Sales
Sony CMT-EX100 Micro HiFi Component System Manual | HiFi Engine
Sony CMT-EX100 Micro HiFi Component System Manual | HiFi Engine
SONY HCD-EX100 Service Manual download, schematics, eeprom, repair info
SONY HCD-EX100 Service Manual download, schematics, eeprom, repair info

More Posts

Harbor Freight 2 Gallon Sprayer Harbor Freight Gun Paint Spr

Sprayer multi harbor freight gallon purpose 2020 spray coupon harborfreight go visit buy our bottle valid code through item harbor freight gun paint sprayer spray pressure kit review oz pro

harbor freight 2 gallon sprayer Harbor freight gun paint sprayer spray pressure kit review oz professional hvlp pot sprayers

Hampton Fan Remote Hampton Bay 3-speed Universal Ceiling Fan

remote hampton bay fan replacement ceiling remote ceiling fan hampton bay buying lighting control living tips quality room wink remote enabled hampton remote fan replacement hampton

hampton fan remote Hampton bay 3-speed universal ceiling fan remote control

Hampton Bay Fan Remote Code Hampton Bay Ceiling Fan Remote N

harbor breeze hampton merrimack stratification methods warisanlighting lowes remote hampton bay fan ceiling replacement hampton remote wiring model oversea hampton bay anguloconsulting vieja ende

hampton bay fan remote code Hampton bay ceiling fan remote not working!! (solved)

Hayward Pool Pump Super Hayward Super Pump

Pump variable speed pool super hayward vs 115v motor hp superpump expert line ground swimming pools inground additional 320v tefc hayward superpump drain 230v pump hayward super pool hp ground sh

hayward pool pump super Hayward super pump

Harman Kardon Hk 3490 Harman Kardon Hk3490 Photo #2418361

harman kardon hk receivers audioreview kardon harman hk receiver fm kardon harman hk stereo receiver key features kardon harman hk receiver fm

harman kardon hk 3490 Harman kardon hk3490 photo #2418361

Harman Kardon Sb 16 Sb Kardon Harman

Sb kardon harman slashgear cdt vincent nguyen sb harman kardon kardon harman sb slashgear tejar harman kardon sb16 sub uae online tejar kardon sb16 harman sub display item kardon harman sb kardon h

harman kardon sb 16 Sb kardon harman

Halo Bolt 58830 Manual Acdc Bolt Recommendation

halo bolt halo rev oi manualzz acdc bolt recommendation halo bolt car charger jumper qvc ac acdc outlet menu power portable

halo bolt 58830 manual Acdc bolt recommendation

Herman Nelson Unit Ventilator Emergency Ventilator

ventilator herman nelson honeywell coil controls steam fan 2m wiring diagram aaf unit manual ventilators classroom installation manualzz ventilator wall convector radiator steam herman invisible

herman nelson unit ventilator Emergency ventilator

Harbil Paint Shaker Harbil 5ghd 5 Gal Paint Shaker With Hero

shaker gal hero 2000 paint rockford gal shaker hero 2000 paint rockford industrial shaker gal hero 2000 paint rockford industrial shaker paint nsc gal parts repair industrial paint shaker gal ns

harbil paint shaker Harbil 5ghd 5 gal paint shaker with hero 2000